Plumbing Assembly
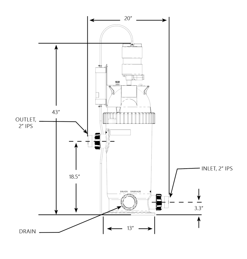
Locate Connections and Fittings
All the components are contained inside the enclosure. Only the water inlet and outlet need to be installed into the pool return line.
The DEL AOP 50 will come with one half of a union fitting installed on Inlet and Outlet, the other half of the fittings will be located in the DEL AOP 50 parts bag. Use the union fittings provided to connect the DEL AOP 50 inlet and outlet to your pool’s plumbing.
Installing an MDV?
![]()
NOTE: If installing a mixing de-gas vessel (MDV), allow 10 feet from the outlet of the MDV to the first pool return.
Under normal operation, bubbles will appear in the return flow to the pool. To remove the bubbles from the flow, an accessory Mixing De-gas Vessel, or MDV, can be installed downstream of the DEL AOP.
The MDV is designed for use with the DEL AOP and is recommended on indoor, covered, or vinyl-lined pools. It should also be used if a tab feeder in installed after the AOP system. For more information, please visit www.c-m-p.com/support.
No
MDV Install Location
The MDV must be plumbed downstream of the DEL AOP 50.
To avoid discoloration, mount in an area out of direct sunlight.
The outlet of the MDV-100 must be at least 10 feet from the first return to the pool.
Verify Clearance
Verify footprint and clearance dimensions before placing the MDV XL on the equipment pad.
The MDV XL inlet and outlet fittings are 2” FNPT.
Use the correct fittings and thread sealant to plumb into the circulation loop.
Assemble MDV Vent
Apply thread sealant to Vent Adapter threads.
Install Vent Adapter through the hole in the Housing Handle and into the Housing.
Use PVC primer and PVC glue to attach the Vent Assembly to the open pipe end of the Vent Adapter.
Assemble MDV Carbon Destruct
Mount the Carbon Destruct to the Destruct Bracket with the two Mounting Screws provided.
Connect the Ozone Tube and Exhaust Tube using the Tube Clamps. Tubing Clamps should be tightened behind the hose barb feature for proper attachment.
The Exhaust Tube will release small amounts of condensation and carbon under normal operation.
To avoid water or carbon stains, route the Exhaust Tube to divert the condensation to a suitable location.
Confirm Final Installation
![]()
The MDV is optional and is not required to operate DEL AOP.
Under normal operation, bubbles will appear in the return flow to the pool.
Confirm AOP location and clearance before continuing.
CAUTION-WATER LEVEL
If the pool equipment is mounted above the water line, install a 2 inch CMP Hydroseal check valve (25830-400-000) between the pump outlet and the inlet of DEL AOP to prevent the pump from draining and losing prime when not in use.
Install Check Valve
![]()
If the pool equipment is mounted above the waterline, a check valve must be installed inline between the pump outlet and the AOP 50 to prevent the pump from draining and losing its prime when not in use.
Installing Above Water Line
If the MDV XL is located above the waterline, an additional ball valve may be needed to maintain an adequate water level in the housing.
Install the ball valve just after the MDV XL outlet.
When the MDV XL is located above the waterline, bubbles will be seen in the return line upon startup.
The bubbles will stop once the MDV XL fills with water.