Power
Power
![]()
When plumbing is complete, turn off circulation system and relieve pressure from the system.
Connect the UV-C 50 to the pool timing clock so that the UV-C 50 operates simultaneously with the pool pump.
The UV-C 50 main power is to be connected to pool controls that are protected by a Ground Fault Circuit Interrupter (G.F.C.I).
Unit is Hardwired (No Cord)
Unit Equipped with Power Cord
Unit must be grounded.
This unit is equipped with a cord having an appliance-grounding conductor and a grounding plug.
The plug must be plugged into an appropriate outlet that is installed and grounded in accordance with all local codes and ordinances.
Always plug cord directly into outlet. Do not use an extension cord.
Do not modify the plug provided with the appliance.
Do not bury the cord.
Unit is Hardwired
Run the service wire from the pool timer into the UV-C 50 Wiring Housing.
Use appropriate fittings suitable for wet locations (UL 514B) to meet local code requirements.
Wiring
Unit must be grounded.
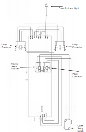
Connect the service wires to the loose wires on the Power Connector harness.
- Black to Line 1
- White to Neutral or Line 2
- Green to ground
Once the service wires are connected to the harness wires, disconnect the Power harness at the provided locking connector.
Reinstall the Access Cover
While holding the Cover, connect all of the locking connectors (4 total).
Using a size 2 Phillips screwdriver, tighten the two Access Screws onto the Access Cover.
Ensure that the Cover Alignment Key is properly aligned with the mating feature on the UV-C 50 Housing.