Electrical Installation

Before Proceeding

Do not use an extension cord to connect the unit to the electrical supply.

Before attempting installation, make sure all power to the circuit supplying power to the system is disconnected/ turned off at the circuit breaker.

Only plug into a Class A (5 Milliampere Trip) protected Ground Fault Circuit Interrupter (GFCI) in accordance with the National Electrical Code Section 680 (USA ONLY).

Do not bury the cord.

 

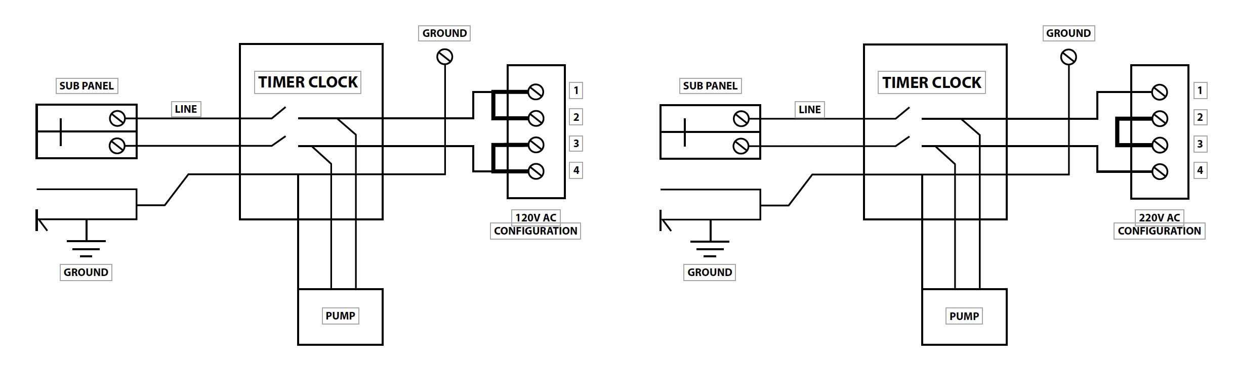
Wire for 220 or 120 Volt

The Powerclean Salt Control Center comes wired for 220V.

The control center can be converted to 120V in the field. A wiring diagram for making the conversion is included with each system, printed on the box.

The system is designed to power on ONLY when the primary pump is operating and should be wired to the load side of the time clock.

Connect to Ground

Ground with an 8AWG bonding wire from the lug on the bottom of the Control Center to a grounding rod (this is necessary to protect the integrity of the electronic systems).

If installed with a variable speed Pump, run the chlorinator on a secondary timer and sync the second timer with run time on VS Pump.

This ensures the system powers on in sync with the pump in low flow situations.

certificate icon

Congratulations!

You have completed this chapter. To go to the next chapter, click next. To go back to the Chapter Table of Contents, click done.